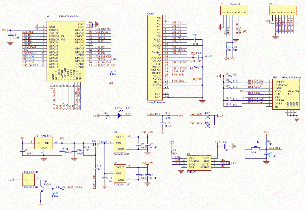
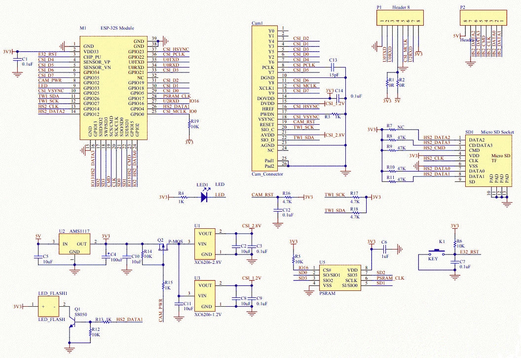
가지고 있는게 esp32cam 이라 찾아보는데..
SDIO 관련은 어째... 겁나 잘 뽑아져 있는데

EN/RESET이 없다?

[링크 : https://randomnerdtutorials.com/esp32-cam-ai-thinker-pinout/]
다행인지 불행인지 뒷면에 리셋 버튼이 있긴한데 워낙 작아서 따로 핀을 떼어내는 건 쉽지 않을 지도..
(우측 하단 스위치 부분)

[링크 : https://www.bitfoic.com/components/esp32-cam-pinout-explanation-and-how-to-use?id=205]
wroom의 경우 왼쪽 2번째에 RESTART, EN이 딱!
눈 딱감고 wroom 보드를 사는게 속 편하려나?

[링크 : https://www.upesy.com/blogs/tutorials/esp32-pinout-reference-gpio-pins-ultimate-guide]
'embeded > esp32' 카테고리의 다른 글
| esp32 계열 정리 (0) | 2025.07.08 |
|---|---|
| esp32devkitc v4 (0) | 2025.01.06 |
| esp32 wifi/bt on linux (0) | 2024.08.13 |
| esp32 at 소스 빌드(윈도우) (0) | 2023.12.19 |
| esp32 at source 빌드(리눅스) (0) | 2023.12.19 |
