하드웨어 하시는 분 왈 : 대각선으로 찍으면 대개 확인이 쉽다고
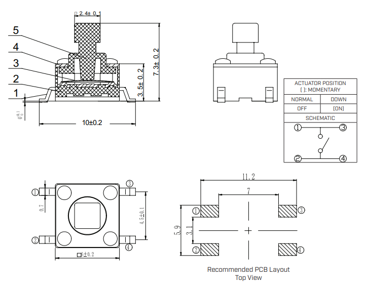
1,2가 같고 3,4가 같은줄 알았는데 (붙는 같은 면이니..)
1,3이 같고 2,4가 같네? (흐르는 전기에서 따서 한다고 하면 머...)

[링크 : https://www.mouser.kr/datasheet/2/670/ts04-2586192.pdf]
통상 택 스위치라고 하는데
tactile(촉각) switch 가 원래 명칭인 듯.
'이론 관련 > 전기 전자' 카테고리의 다른 글
| 합성저항, 목표저항 계산 (0) | 2025.01.07 |
|---|---|
| edge detector (0) | 2024.11.15 |
| spi 통신 cpol cpha (0) | 2024.08.28 |
| NPN TR.... 2? (0) | 2024.08.20 |
| BJT - bipolar junction transistor (0) | 2024.08.13 |
