간단하게 말하면.. 두개가 인터페이스 다르니 연결안됨 이라고 하는데..
DSI to LVDS / LVDS to CSI 하면 가능할 것 같다고 이야기 하지만...
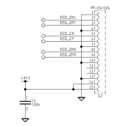
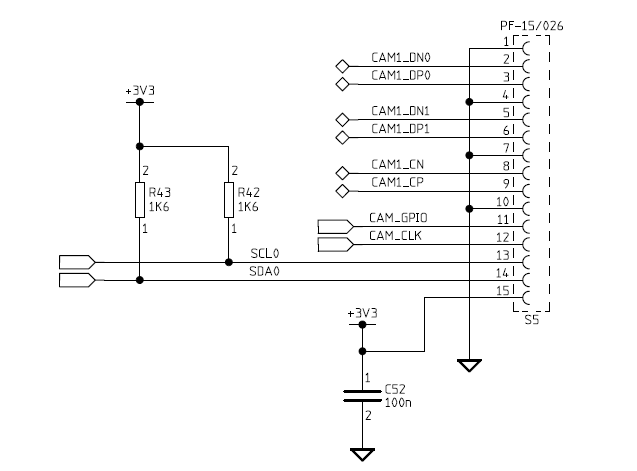
그냥 DSI의 데이터 2채널과 컨트롤 포트를 CSI의 2채널과 컨트롤 포트를 연결하면 안되는 건가?
![]() |
![]() |
[링크 : https://raspberrypi.stackexchange.com/questions/107117/]
+
[링크 : https://www.mipi.org/specifications/csi-2]
[링크 : https://www.mipi.org/specifications/dsi]
DSI D-PHY
DSI-2 C_PHY
CSI-1 D-PHY
CSI-2 C-PHY
CSI-3 M-PHY
[링크 : https://m.blog.naver.com/prnbada7/221194846455]
[링크 : https://en.wikipedia.org/wiki/Display_Serial_Interface]
'embeded > raspberry pi' 카테고리의 다른 글
| rpi i2c oled (0) | 2022.02.10 |
|---|---|
| 라즈베리 파이 부품 도착 (0) | 2022.02.09 |
| rpi 7" dsi (0) | 2022.01.21 |
| rpi DSI 7인치 터치 스크린 (0) | 2022.01.20 |
| rpitx on rpi4 (0) | 2021.12.22 |


