cortex-m0+ 엥? stm32G면 m4 아니었어?
[링크 : https://www.st.com/en/evaluation-tools/stm32g081b-eval.html#overview]
찾아보니 stm32g0 g4 식으로 라인업이 존재한다
[링크 : https://www.st.com/ko/stm32/stm32/stm32intro/stm32g0-series.html]
[링크 : https://www.st.com/ko/stm32/stm32/stm32intro/stm32g4-series.html]
M4도 F/L/G에 다 있군..

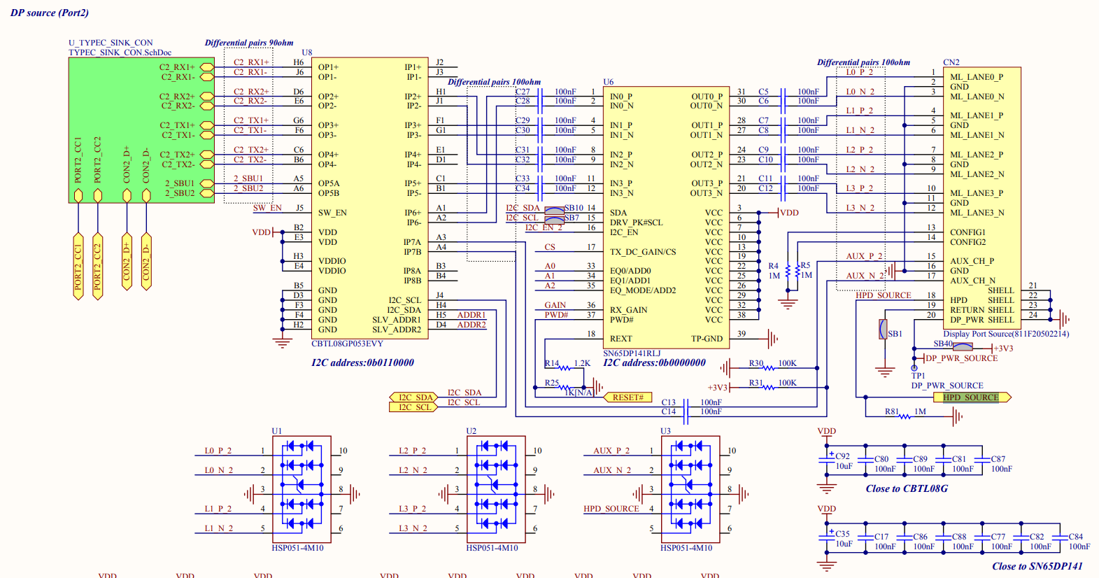
그나저나 DP는 왜 있는겨 -_-?
HPD source 라고 해서 High Definition Display 라고 google ai에서 나오는데 공식적인 링크는 못 찾겠다.

[링크 : https://www.st.com/resource/en/schematic_pack/mb1352-c02_schematic.pdf]
'embeded > Cortex-M0 STM' 카테고리의 다른 글
| STM32G081B-EVAL (0) | 2025.12.10 |
|---|---|
| STM32G071B-DISCO (0) | 2025.12.10 |
