IWDG - Independent Watchdog
Note: The RTC, the IWDG, and the corresponding clock sources are not stopped by entering Stop or Standby mode.

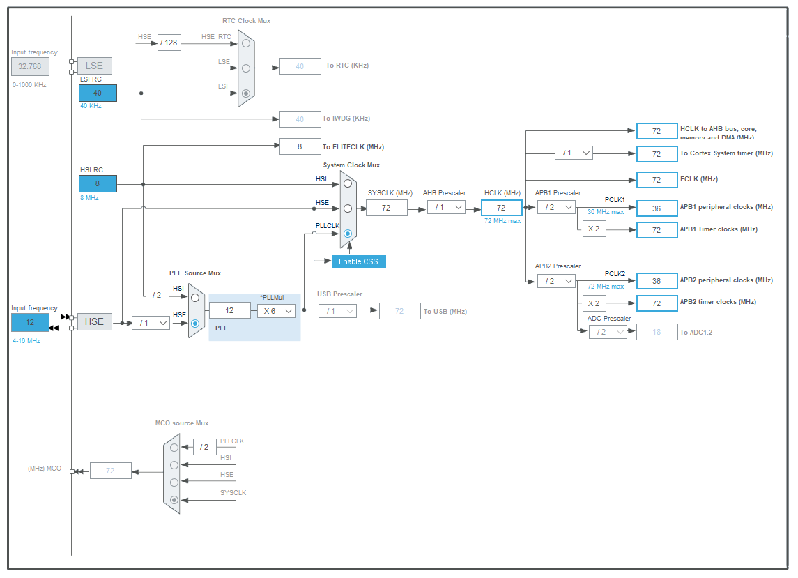
클럭관련
High/Low speed External/Internal
HSE = high-speed external clock signal
HSI = high-speed internal clock signal
LSI = low-speed internal clock signal
LSE = low-speed external clock signal
APB1은 36MHz 클럭 최대, APB2는 72MHz 최대
다만 타이머쪽은 둘다 72MHz를 넣을 수 있다.

USART 번호가 없어서 모르겠지만 4.5Mbit/s 혹은 2.25Mbit/s 까지 설정이 가능하다는데
아니 USART를 Mbps 급으로 쓰는데가 있긴 한건가? ㄷㄷ

아 맞다.. 있긴 있었지.. -_-
2021/01/08 - [embeded] - orange pi r1+
'embeded > Cortex-M3 STM' 카테고리의 다른 글
| STM32CubeIDE / HAL register callbacks (0) | 2021.02.03 |
|---|---|
| STM32CubeIDE 주의사항(?) (0) | 2021.02.02 |
| CMSIS for stm32 (0) | 2018.02.12 |
| stm32 DMA 관련글들 (0) | 2017.12.11 |
| cmsis printf (0) | 2017.01.10 |
