이론 관련/전기 전자
NPN TR.... 2?
구차니
2024. 8. 20. 12:01
이전에 2N3904로는 꿈적도 안하더니 KRC107S를 사용하니 한번에 된다.
역시 일이 잘 안되면 돈이 부족하지 않나 생각을 해봐야.. (먼산)
아무튼 동일한 회로로는 R1/R2를 적절히 배치해서 하면 되긴되었을 듯 한데
저 R1과 R2의 역할이 어떻게 되는지 모르겠네..
![]() |
![]() |
R2로 인한 feedback이 핵심인가?
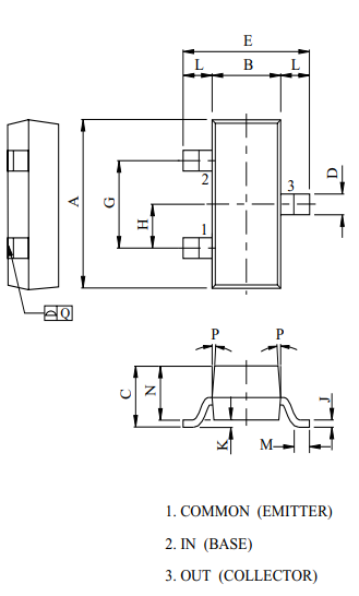
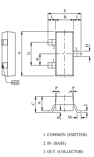
[링크 : https://wmsc.lcsc.com/wmsc/upload/file/pdf/v2/lcsc/2304140030_KEC-Semicon-KRC107S-RTK-P_C8559.pdf]

