jetracer 보드 i2c 확인
5V는 내어주는데 3.3V는 테스터로 찍어보니 0.5V 이런식으로 나오길래
전자회로 쪽은 배터리나 외부 전원을 통해 공급되는 것 같지 않아, 라즈베리 파이에서 3.3V를 공급해주고 i2c로 읽어보니

아래와 같이 먼가 나오긴 한다. 근데 0x41, 0x70 넌 누구냐?
| $ i2cdetect -y 1 0 1 2 3 4 5 6 7 8 9 a b c d e f 00: -- -- -- -- -- -- -- -- 10: -- -- -- -- -- -- -- -- -- -- -- -- -- -- -- -- 20: -- -- -- -- -- -- -- -- -- -- -- -- -- -- -- -- 30: -- -- -- -- -- -- -- -- -- -- -- -- 3c -- -- -- 40: 40 41 -- -- -- -- -- -- -- -- -- -- -- -- -- -- 50: -- -- -- -- -- -- -- -- -- -- -- -- -- -- -- -- 60: 60 -- -- -- -- -- -- -- -- -- -- -- -- -- -- -- 70: 70 -- -- -- -- -- -- -- |
INA219 - Zerø-Drift, Bidirectional Current/Power Monitor With I 2C Interface
[링크 : https://www.waveshare.com/w/upload/1/10/Ina219.pdf]
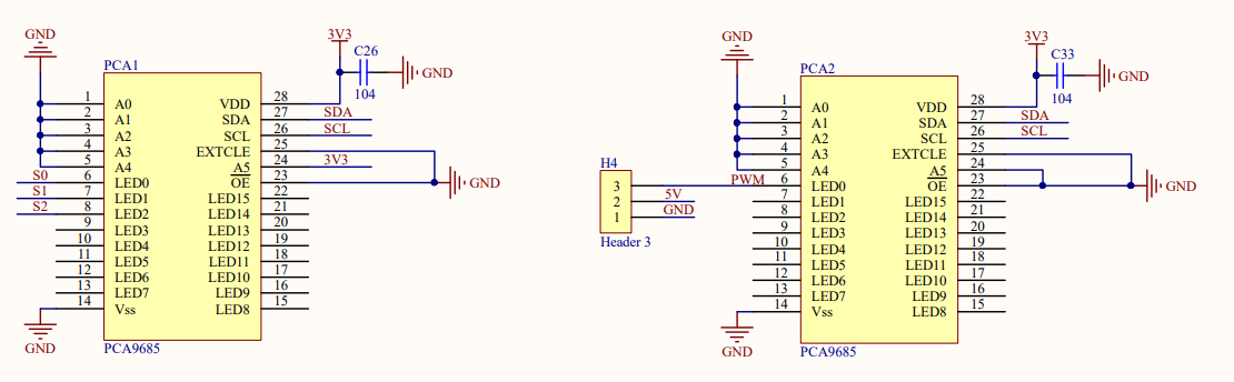
PCA9685 16-channel, 12-bit PWM Fm+ I2C-bus LED controller
[링크 : https://www.waveshare.com/w/upload/6/68/PCA96_datasheet.pdf]
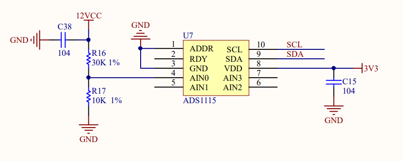
ADS111x Ultra-Small, Low-Power, I 2C-Compatible, 860-SPS, 16-Bit ADCs
[링크 : https://www.waveshare.com/w/upload/1/1e/Ads1115.pdf]
TB6612FNG Driver IC for Dual DC motor
[링크 : https://www.waveshare.com/w/upload/6/62/TB6612FNG_datasheet_en.pdf]
INA219 (0x41?)
PCA9685 * 2 PCA1 - 3V3(0x60) 모터 구동 / PCA2 - GND(0x40) 서보 구동

SSD1306 * 1 -> 0x3C 추정
ADS1115 * 1 (AIN0 - 12VCC 확인용? 0b1001000 = 0x48)

[링크 : https://www.waveshare.com/w/upload/4/4a/JetRacer_Schematic.pdf]