embeded/raspberry pi
tea5767 모듈 땜질
구차니
2022. 8. 17. 12:46
핀 피치가 2.54mm가 아닌 2.00mm 인데다가 구멍이 반이 없어서 어떻게 땜을 해야하나 고민하다 전문가에게 토스~
역시 전문가의 손은 다르구만
VCC 는 3.3V 라는데

[링크 : https://os.mbed.com/users/edodm85/notebook/radio-fm-tea5767/]
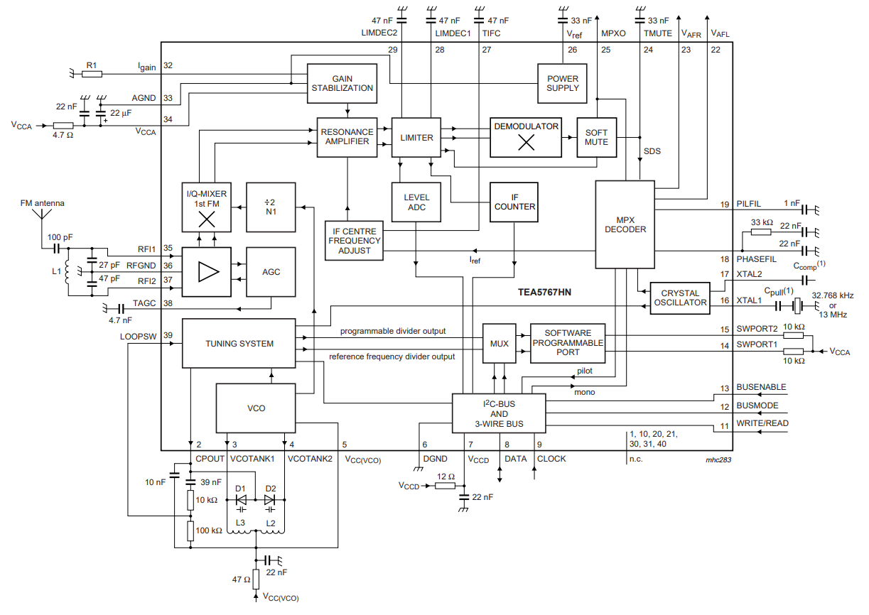
TEA5767 칩 자체는 3.0 Typical, 5.0 Max 라서 5V를 넣어도 되지 않나 싶긴 한데.. 그래도 Max 니까.. 참아야겠...지?
AMS1117-3.3을 투입할 시간이 되겠군...

MPXO는 MPX 가 있냐 없냐를 출력해주려나?

[링크 : https://www.sparkfun.com/datasheets/Wireless/General/TEA5767.pdf]